
棒架け ほんにょ干し

稲架掛け台と棒干し
この先も複数年に渡り 稲作にチャレンジして行く事から 常設の稲架掛け台を田んぼの中心に設置する事と成りました。

農園横研修田の稲架掛け台

常設稲架掛け台

チャレンジ田圃

稲架掛け台設置位置
粗中心に設置 道路側と用水側にトラクターや田植え機が行き返るスペース約5mを残し 全長40mを計画

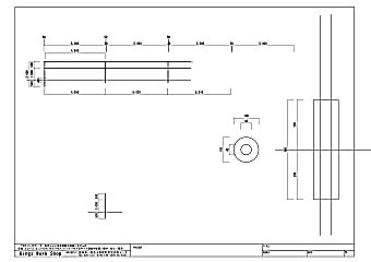
稲架掛け台図面

脚(地面設置図)

縦棒 打ち込み寸 地上寸

横棒2段 間隔ピッチ
★ 材 料
横棒 5m 8本二段 16本
支柱 2〜2.5m 9本
支え&筋交い 2〜2.5m 10本
直行クランプ 18個
自在クランプ 12個
パイ部ジョイント 7本
塩ビパイプ100π 4m 1本 40cm 9本分
★ 組み立て手順
@ 田圃地面より約20cm穴を掘り 塩ビパイプを半分の長さまで差込む
田圃は概ね深さが20cm位て゜水を張ると水深10〜深水で15cm位なので 鋼管が直に水に触れない程度にする
A 塩ビパイプの中心に縦鋼管を地面から 1.5m迄打ち込む
1本目から2本目までの間隔は 横棒5mで両左右が5cm短いピッチ(縦パイプの芯〜芯4.9M) 3本目以降は2本目の芯〜5mピッチで横棒7本 縦柱8本分
B 2本の縦パイプを設置したら 地面から1mと1.5mに横パイプを直行クランプで固定する
C 3本目を立てたら ジョイントピンで横パイプを繋ぎ直行クランプで固定 同じ作業を4〜9本連続
D 6本立てたら 中心の5本目から4本目と6本目にV型に筋交いを自由クランプで固定
E 柱9本 横棒8スパン2段組が完成したら 1本目と9本目に支え棒を斜めに立て自在クランプで固定
F 3本目・5本目・7本目に倒れ防止の支えを組むが 普段は縦棒に沿わせて立てて置き 稲架掛けを使用する時に 斜めに留める
★ 当日の段取り
1.8時45分 ホームセンター開店前待機 開店と同時に買い付け 荷積み完了後移動
2.9時15分〜30分 チャレンジ田圃集合 トラック到着後荷降ろし 稲藁と古竹を積み込む 農園へ移動
3.チャレンジ田組は 鋼管パイプを組み立て位置に運び並べて置く 丁張り糸と目印杭から縦パイプ打ち込み位置に穴を掘り 塩ビパイプを差し込む
4.荷物移動組は農園にて 藁と古竹を降ろし トラックの返却へ向かい チャレンジ田に戻る
5.鋼管パイプを組み始める
★ 用意する道具
a.アルミ脚立 3尺 6尺
b.クランプレンチ ボックスレンチ
c.メジャー 5m メジャーリール
d.掛矢(かけや) 木槌
e.クランプ打ち込みキャップ
f.塩ビ鋸
g.穴掘りショベル 穴掘りスパイラル
その他 各自手袋など必要と思うもの
−−−−−−−−−−− お知らせ −−−−−−−−−−−−−
club ノーティーからお知らせ 案内はこちらから
ノーティファームへのご意見、お問い合わせは
↓↓

ノーティファーム コミニティーサイト

ノーティファーム(Naughty farm)ブログ

腕白農業研修会

腕白farm NOOMIN 奮闘記 ブログ

Dog Field Wowpark 腕白ブログ

club ノーティーからお知らせ 案内はこちらから
ノーティファームへのご意見、お問い合わせは
↓↓

ノーティファーム コミニティーサイト

ノーティファーム(Naughty farm)ブログ

腕白農業研修会

腕白farm NOOMIN 奮闘記 ブログ

Dog Field Wowpark 腕白ブログ








